■ALS-1A オートライト・スイッチ

●概要
信号待ちなどでギヤをニュートラルに入れると,3〜4秒後にヘッド・ライトをポジション・ランプに切り替えます.ハイ・ビームでもロー・ビームでも,機能します.
ギヤをニュートラル以外に入れると即座にヘッド・ライトが点灯します.
ギヤをニュートラルに入れても,すぐにポジション・ランプに切り替えないのは,夜間走行中にニュートラルに誤って入ったときでもブラックアウトしないようにです.
簡単な回路ですが,実用性は十分です.停車中はヘッド・ライトを消灯するのでバッテリー消費電流の軽減に効果があります.
回路は,片面銅張紙フェノール基板の銅箔をカッター・ナイフと半田ごてで剥離した簡易基板上に実装し,正常に動作することを確認してからエポキシ・パテで固めました.
ギボシ・コネクタとファストン250端子を使った汎用カプラを使ってカプラオンで装着できるようにしました.少しCB750FC側の配線に改造が必要です.また,万一ALS-1Aが故障したときにALSリレーをバイパスしてオリジナルの配線で直結できるようダイレクト・カプラ(XC-2A)を作ってあり,リア・シートの小物入れに常備しています.非常時はXC-2をXC-2Aと差し替えればALSリレーを経由せずにヘッドライトを駆動します.このダイレクト・カプラ(XC-2A)は後継のALS-2でもそのまま使えます.
なお,ALS-1Aは,ALS-2の完成に伴い引退しました.20年近く頑張ってくれてありがとう!
●回路図

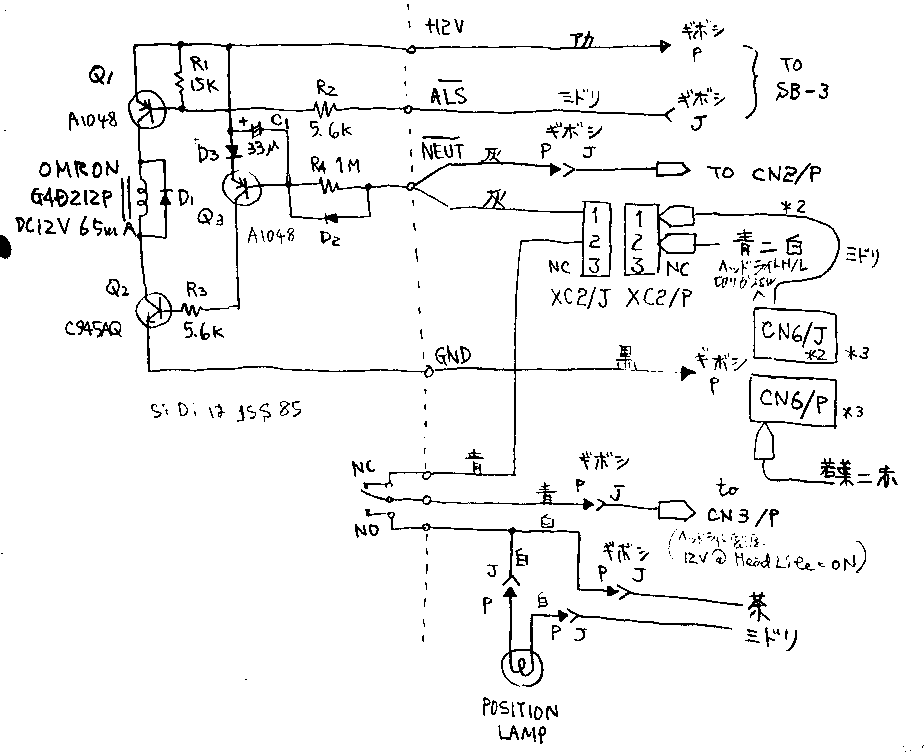
ALS-1A本体の回路図

ALS-1のプリント・パターン図(ALS-1AはダイオードD3を追加する)
COM1とCOM2,NC1とNC2,NO1とNO2はそれぞれ接続する.

Fuse#4経由のDC12Vを取り出すための拡張コネクタ(XC-1A)の回路図

ヘッドライト・ケース内のコネクタ配置図

コネクタCN2の改造

コネクタCN3の改造

ダイレクト・カプラXC-2Aの回路図

ALS-1の動作試験回路
清書したものは準備中です.
ホームへ戻る Copyleft by Marry 2006